Subjects
Online Tutoring
Homework Help
Homework Library
Tutors
Online Classes
More
Bookstore
Blog
Technical Tips
FAQ
Contact Us
Get Help Now
Home
Homework Library
Engineering
AutoCAD
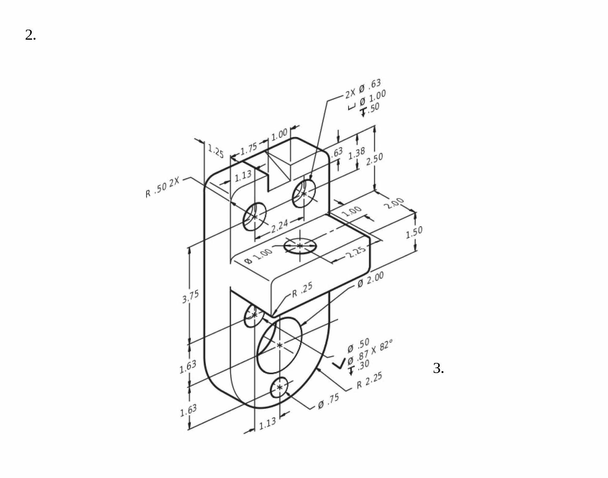
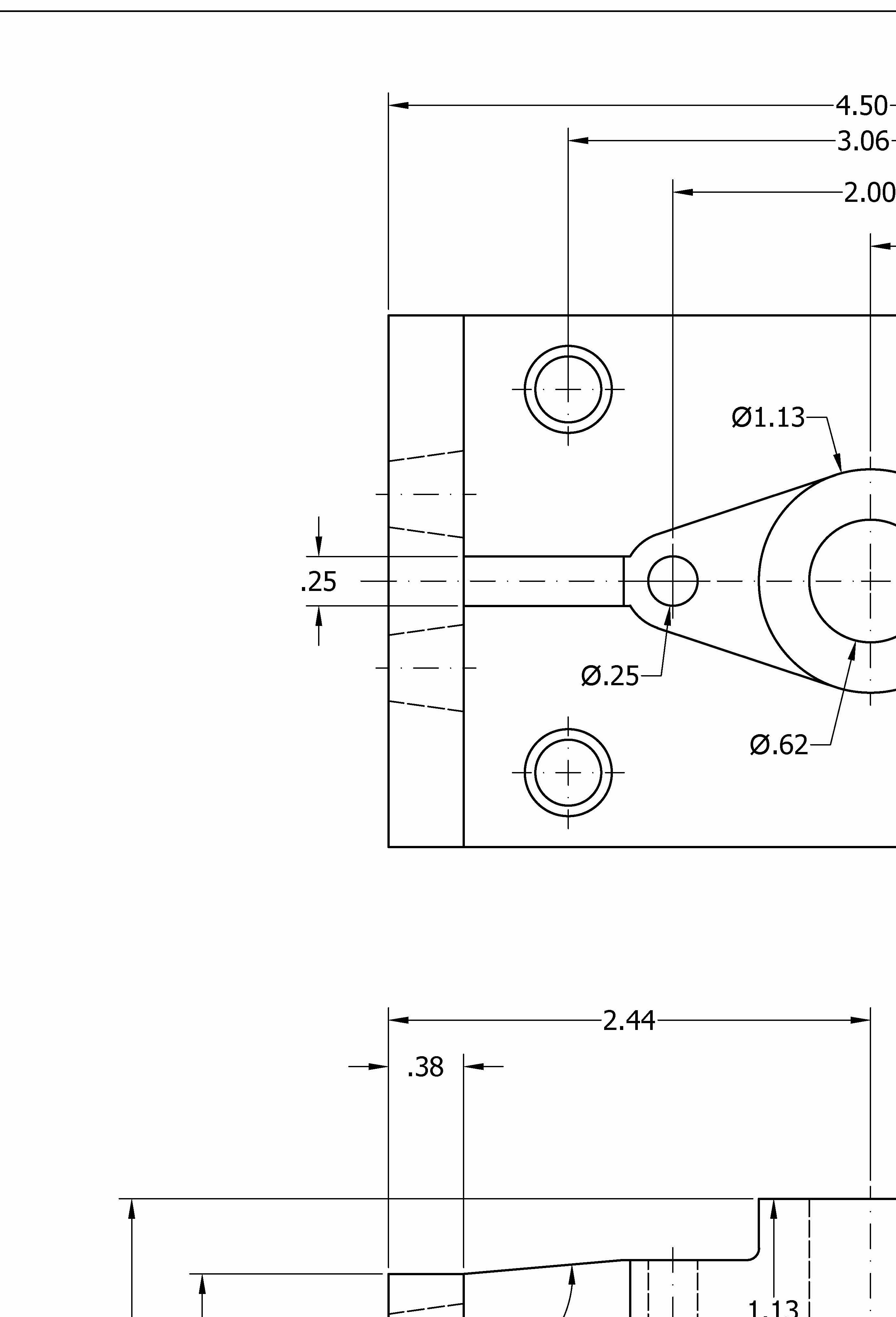
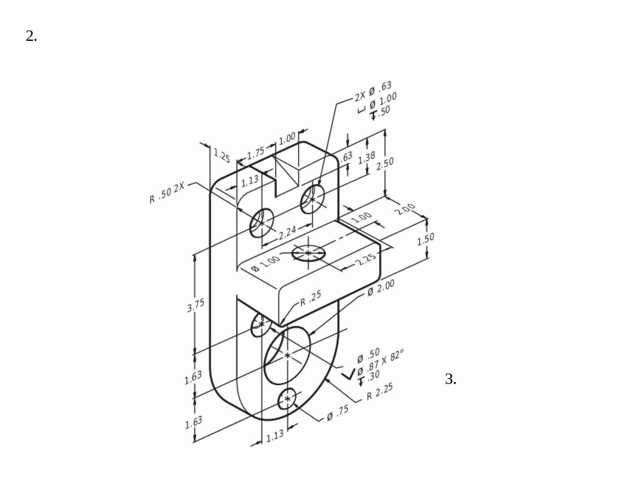
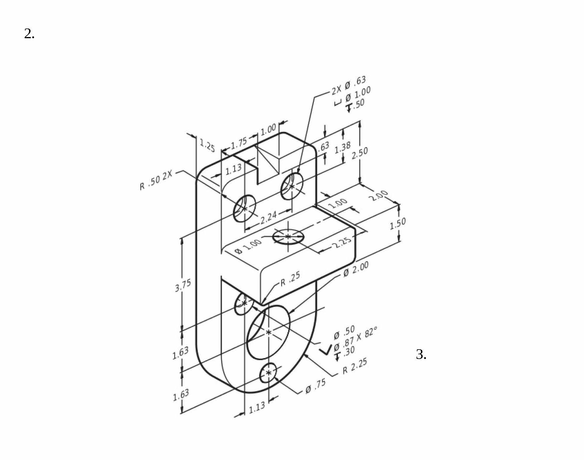
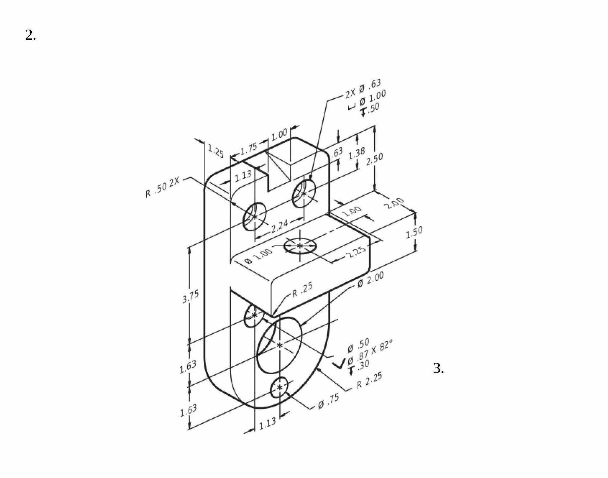
AutoCAD 3D Modeling Q. Create 3D model for the following objects a...
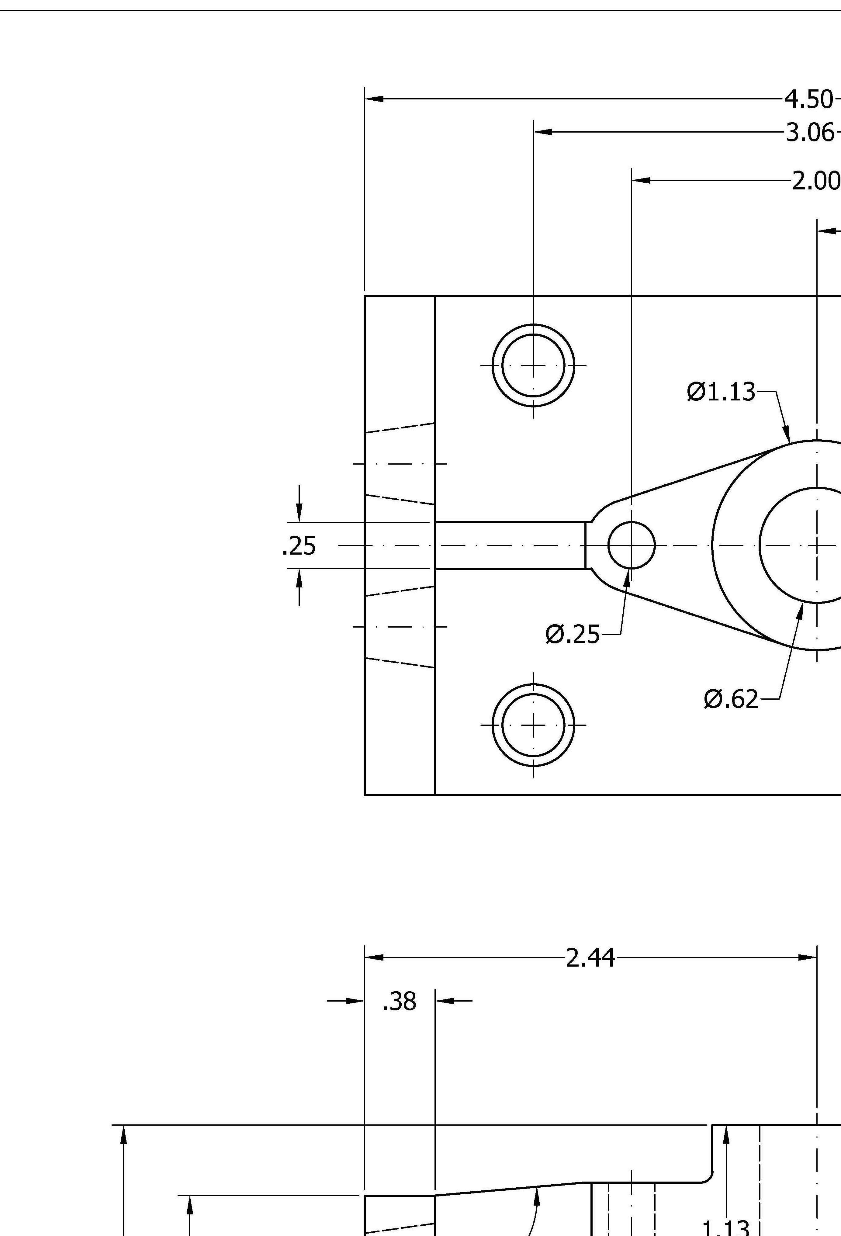
AutoCAD 3D Modeling Q. Create 3D model for the following objects a...