Subjects
Online Tutoring
Homework Help
Homework Library
Tutors
Online Classes
More
Bookstore
Blog
Technical Tips
FAQ
Contact Us
Get Help Now
Home
Homework Library
Engineering
AutoCAD
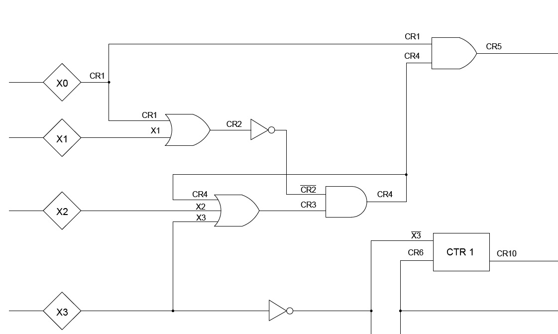
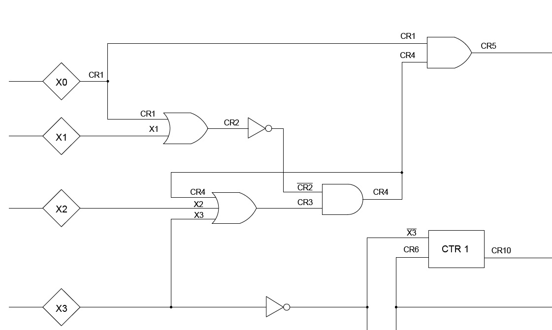
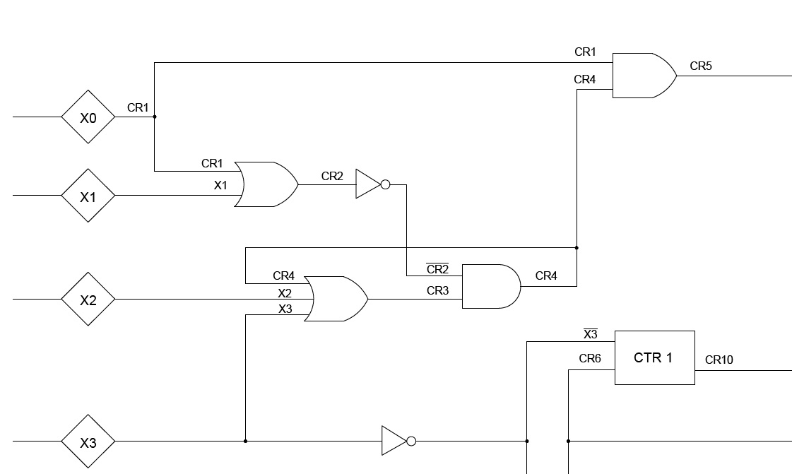
6. Electronics CR1 Draw the logic diagram of a marking system. Sa...
6. Electronics CR1 Draw the logic diagram of a marking system. Sa...