Subjects
Online Tutoring
Homework Help
Homework Library
Tutors
Online Classes
More
Bookstore
Blog
Technical Tips
FAQ
Contact Us
Get Help Now
Home
Homework Library
Physics
Physics - Other
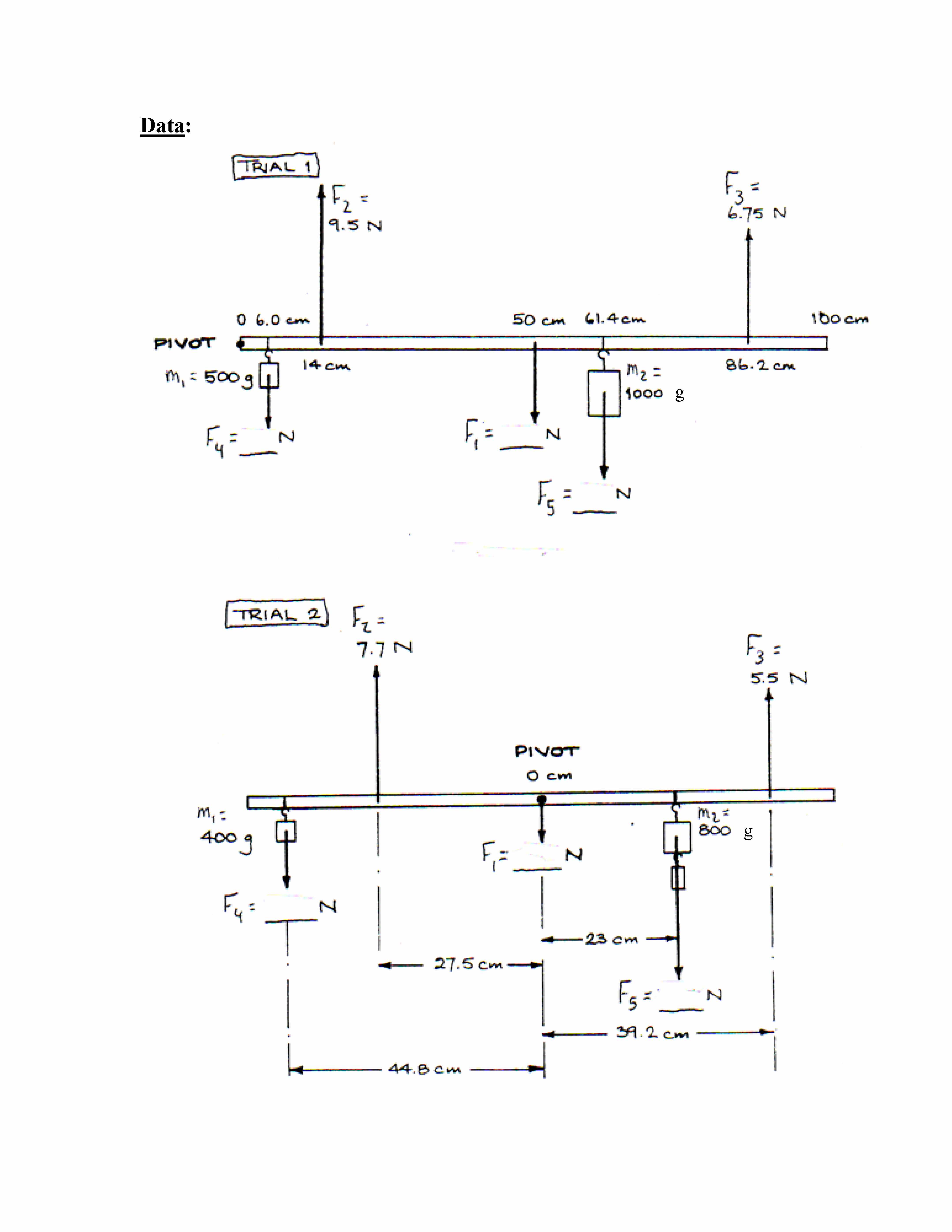
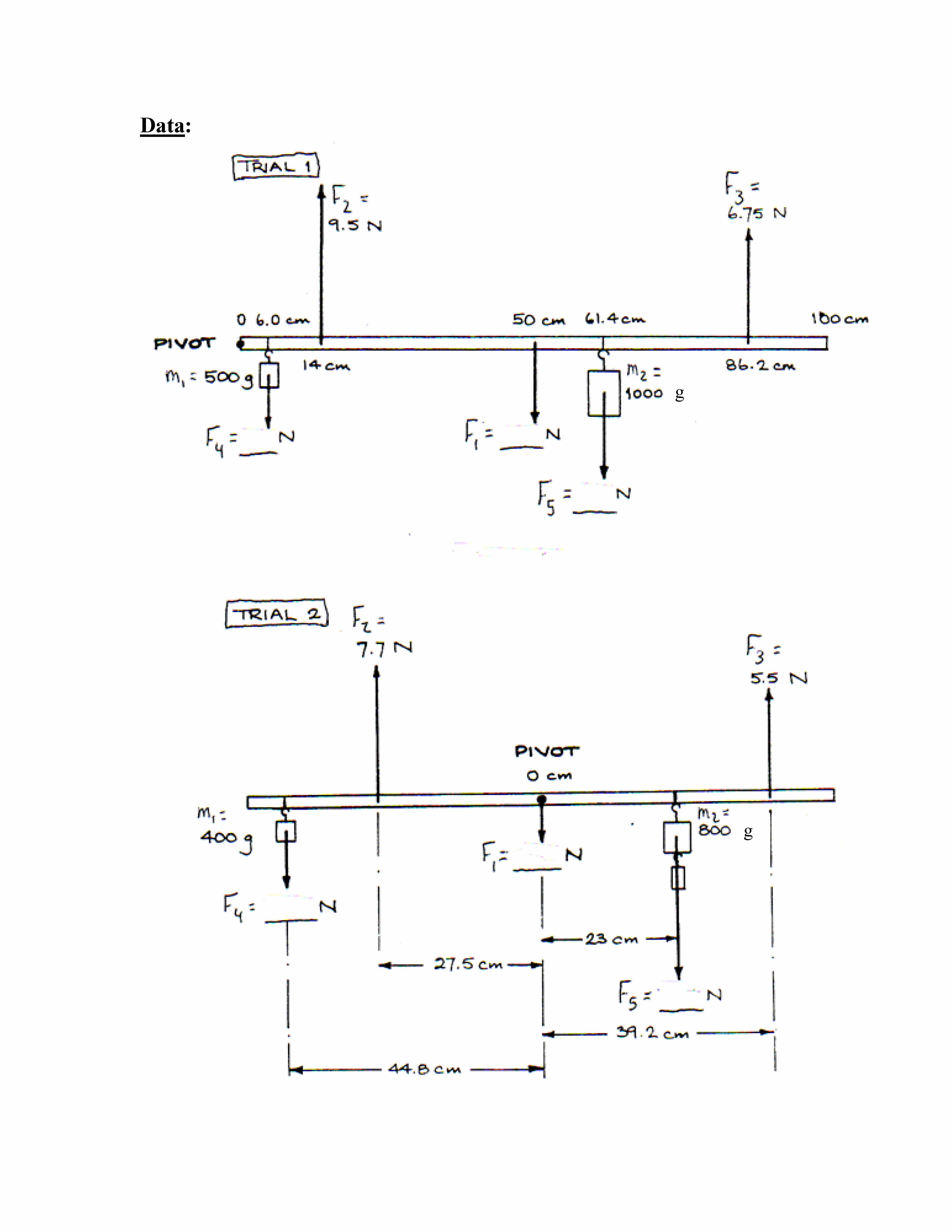
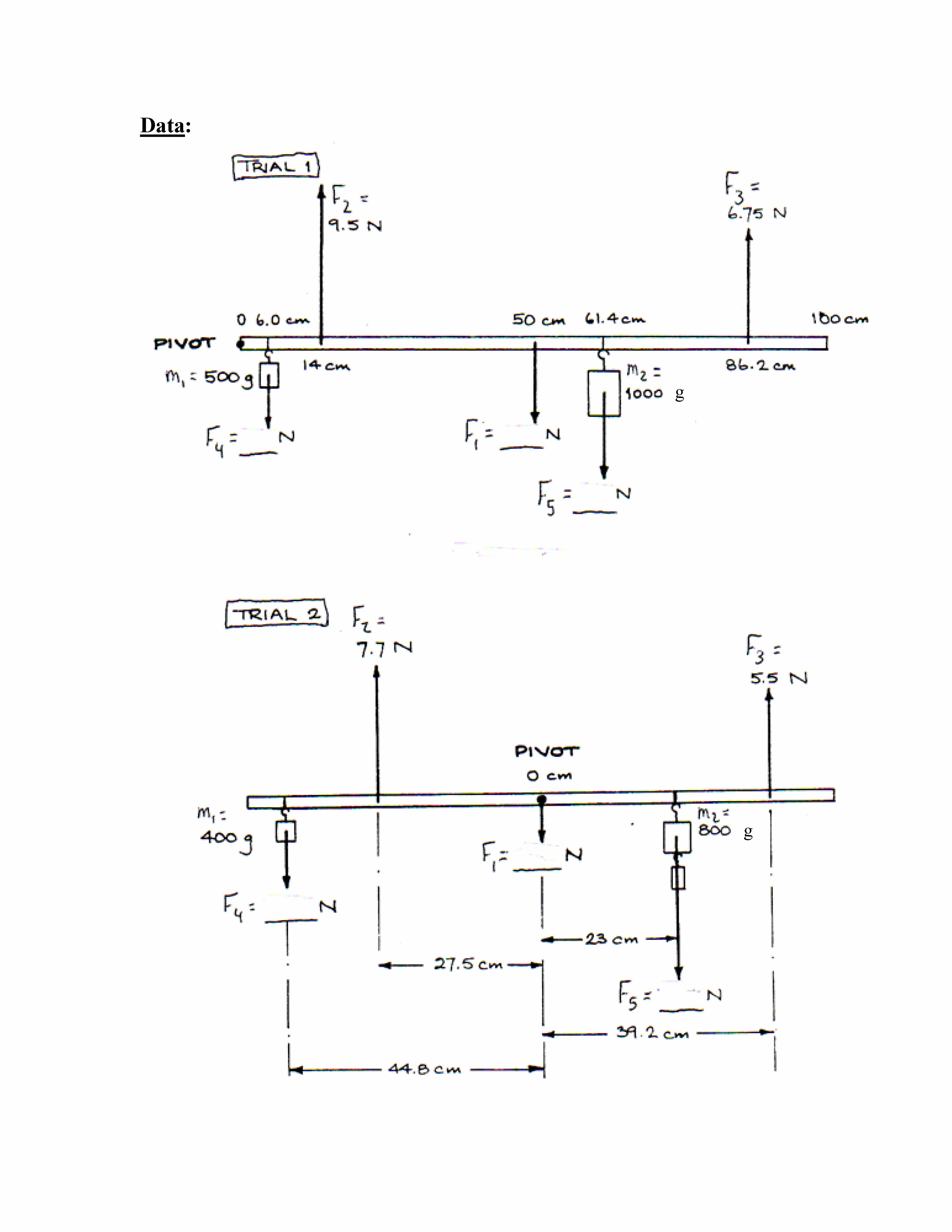
Physics Lab It is important that bridges, building, etc. be rigid ...
Physics Lab It is important that bridges, building, etc. be rigid...