24HourAnswers
Subjects Online Tutoring Homework Help Homework Library Tutors Online Classes
Bookstore Blog Technical Tips FAQ Contact Us
Get Help Now
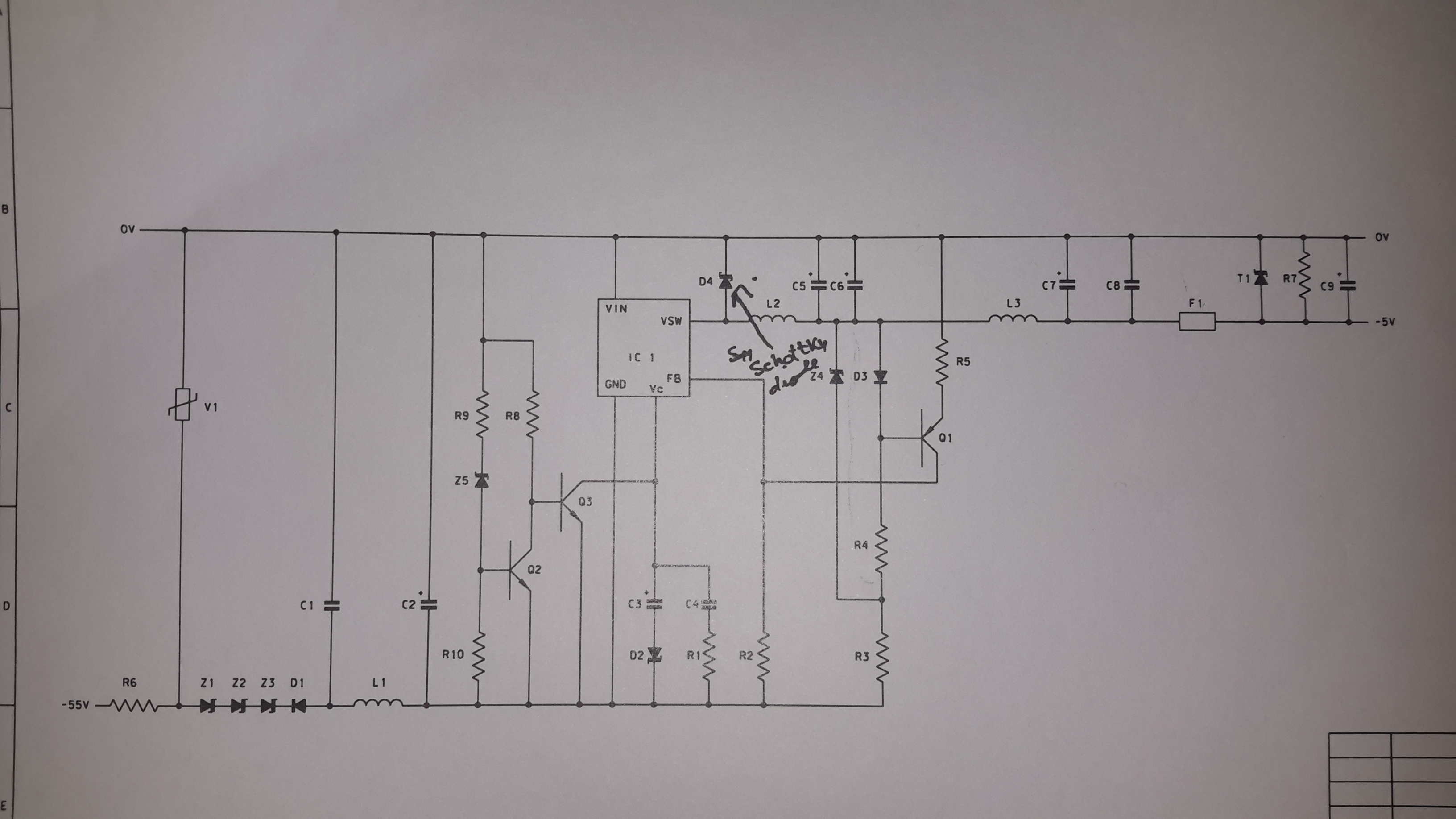
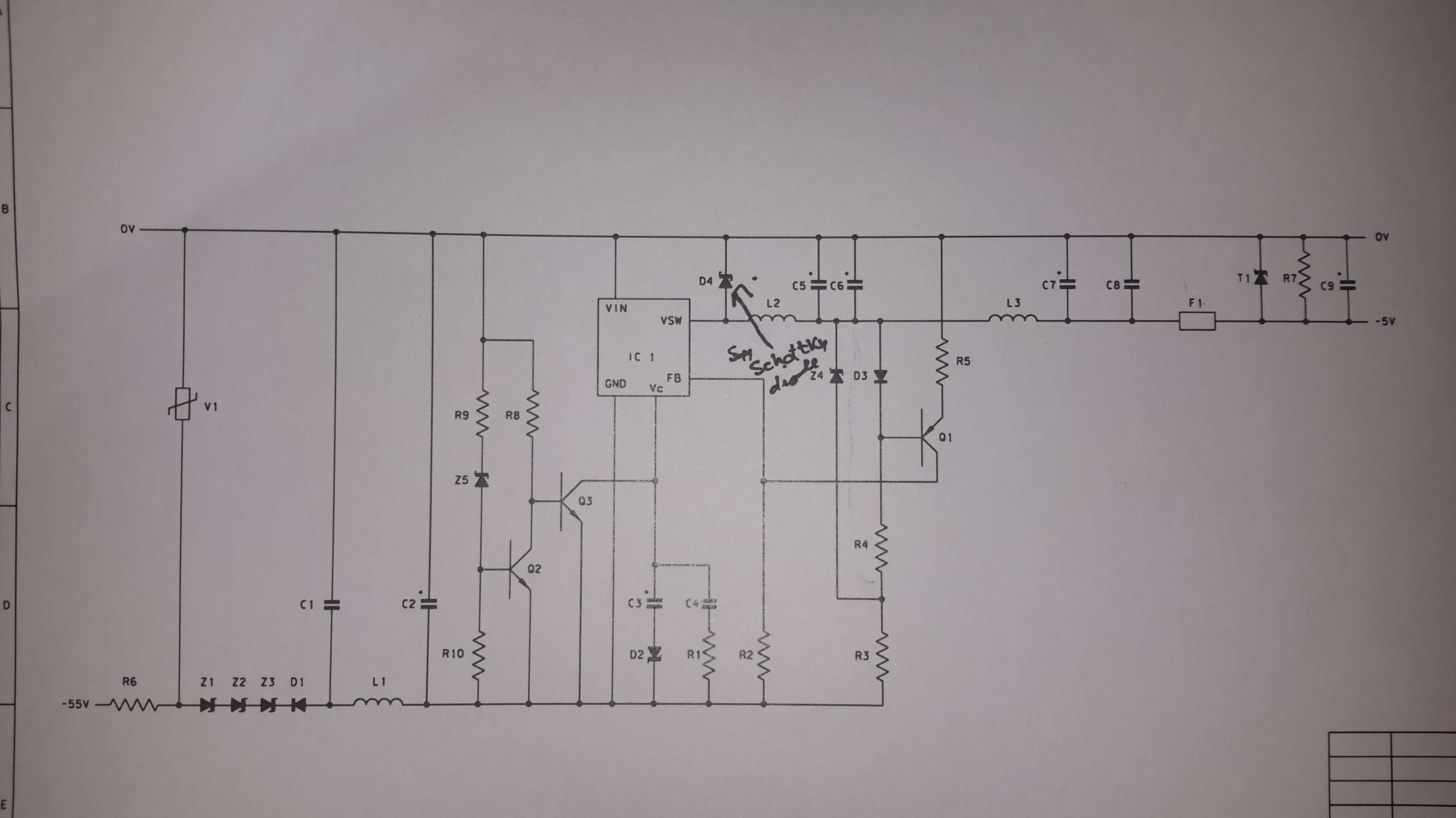
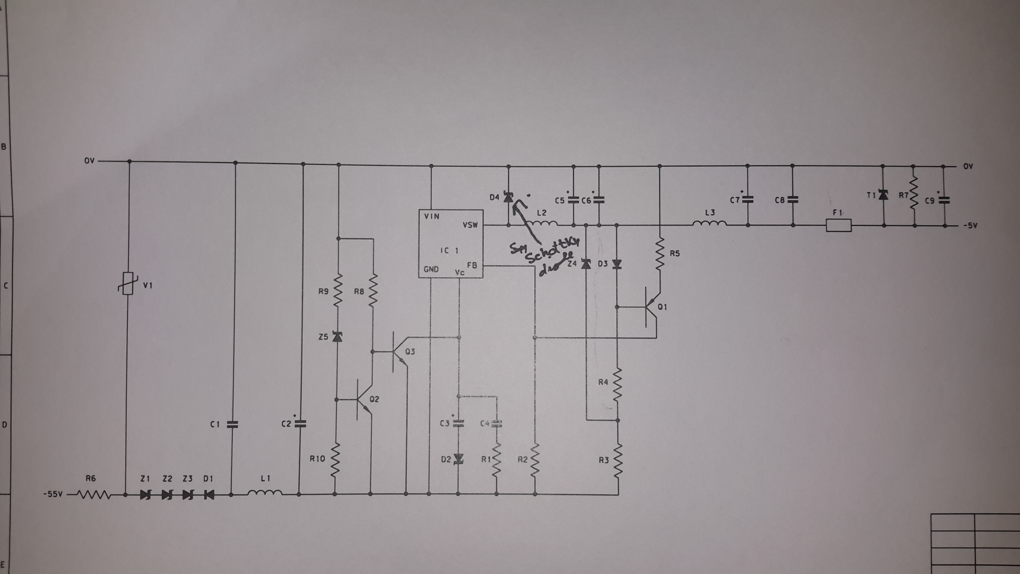
Home Homework Library Engineering Electrical Engineering 9 Circuit Analysis 10k + 10V +10V R1 In 10k - + 1k + -3...

9 Circuit Analysis 10k + 10V +10V R1 In 10k - + 1k + -3...

24HourAnswers
24houranswers.com Parker Paradigms, Inc Nashville, TN Ph: (845) 429-5025
Home Mission Statement Become a Tutor FAQ Register Honor Code
About Us Homework Help Homework Library Online Classes Sitemap Technical Tutoring Tips
Subjects Privacy Policy Terms & Conditions Tutors Log In Blog
SUBJECTS COVERED
Mathematics
Java Programming
Physics
Organic Chemistry
Computer Science
Advanced Statistics
Economics
Calculus
Algebra
Accounting
Writing
Biology
Finance
Psychology
Engineering
Python Programming
Discrete Math
General Chemistry
Linear Algebra
C-Family Programming
Statistics-R Programming
©2025 24houranswers.com. Material may not be reproduced in part or whole without written consent of the webmaster. Copyrights are reserved and strictly enforced.
Starfield Technologies Secure Trust VERIFIED Seal